站内搜索
 

齿轮泵壳体孔的加工方法及夹具设计

 tel:0317-8091789      home | Favorites | map | help?
齿轮泵壳体孔的加工方法及夹具设计
泵体孔的精度要求和加工方法

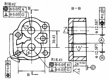
图1为齿轮泵体加工两孔的工序简图。从图1可知:小孔12.5为7级,且两孔极限尺寸不同;大孔R18.41接近8级;有同轴度、垂直度、位置度公差要求,特别是位置度公差很小。因此,孔的加工难度大。

经过反复试验、改进,现采用如下加工方法:将两孔加工放在两端面、4-φ9孔加工工序之后,并将4-φ9中一对角孔精度提高到φ9H8,用于定位。然后采用三道工序加工R18.41和φ12.5的孔。第一道工序:在车床上用分度回转夹具车R18.41孔至R18.31+0.065+0.035(R18.41有铸造底孔),钻φ12.5孔至φ11.5、再镗至φ12.4±0.01。第二道工序:设计专用复合铰刀,在车床上(因钻床主轴回转精度低,不能用钻床)同时铰削R18.41和φ12.5同轴孔。大孔铰至R18.41+0.055+0.025,两小孔铰至φ12.5S7尺寸。刀具装在主轴上(去掉卡盘),且刀具尾端在夹具上设有导向支承。夹具装在拖板上(拆去刀架),用直线分度夹具。第三道工序:在钻床上用浮动铰刀将其中一小孔铰至φ12.5F7的尺寸要求。

2夹具设计


由于孔加工的第二道工序是关键工序,这里仅介绍本工序的夹具设计。

(1)夹具方案与结构:选择泵体上G面和两个φ9对角孔为定位基准,夹具上用两销一面定位。采用直线分度形式。用两个钩形压板夹紧零件。图2为夹具结构示意图(注:图中只标出关键尺寸和主要零件序号)。夹具体1为角铁形,用螺钉、锥销装于拖板上。移动分度块2与夹具体1通过燕尾导轨配合,并用螺栓3锁紧。在分度块2上装有圆柱销4和削边销9,通过这两销和平面P使零件定位于分度块2上,并用两钩形压板14压紧。支承座6用于支承刀具尾端。用手拉式圆柱销分度对定机构。为方便操作,将工件安装在夹具右边,夹具体、分度块上开有孔,以便刀具进入工件加工。为防止切屑进入件1与2的结合面,在夹具体1的孔中装有防屑套10。

1

图2夹具结构图

1.夹具体 2.移动分度块 3.锁紧螺母 4.圆柱定位销 5、12.衬套 6.支承座 7.圆柱销 8.螺钉
9.削边定位销 10.防屑套 11.骑缝销 13.密封块 14.钩形压板机构 15.分度对定机构

(2)夹具操作:将工件装入两定位销,拧紧钩形压板螺母,纵向移动拖板使对定机构15的圆柱销插入到加工第一个孔的销孔中。当加工完第一个孔后,松开两个锁紧螺母3,拔出对定机构15的圆柱销,移动分度块2,使对定机构15的圆柱销插入到加工第二个孔的销孔中,并拧紧螺母3,加工第二个孔。

(3)夹具安装要求:制造时,分度对定机构的圆柱销与衬套12采用配制,配合间隙不大于0.01mm。安装时,保证夹具加工中心线K与车床主轴轴线同轴度,同轴度公差为0.015mm。定位支承面P与车床主轴轴线垂直,公差为0.02mm。当夹具安装调整好后,横向进给要锁死,纵向进给设置死挡铁。(4)夹具特点:采用基准重合原则,定位误差小,分度精度较高。刀具两端支承,跳动小,加工孔的尺寸精度高。夹紧可靠,操作方便。经长期使用证明,能充分保证加工精度要求,不足之处是加工过程中不便观察。
上一页:NULL
下一页:NULL
TFL:0317-8091789   FAX:0317-8091789
BOTOU HENGSHENG CRAFTS CASTING CO., LTD冀ICP备05016435号